0898-36313909
研究 | 太阳跨季节土壤蓄热系统的研究分析

摘要:本文对太阳能跨季节土壤蓄热系统建立了基于现场示范项目的实验研究。以北京市房山区某一示范工程为项目背景,通过系统运行几个月以来的实际运行数据分析,总结了在太阳跨季节土壤蓄热期间,太阳集热器效率、土壤蓄热率、地下温升趋势及系统耗功等系统各部分的性能变化;计算得到蓄热周期内土壤蓄热率约为93%,太阳能集热器效率约为43%。

关键词:土壤蓄热 太阳能 跨季节 采暖

1前言

众所周知,太阳能存在能量不稳定、具有间歇性和周期性等诸多局限性,从而使太阳能系统采暖直接利用受到限制。跨季节蓄热太阳能集中供热系统可通过实现太阳能在夏季、冬季之间的能量转移来实现供给建筑采暖,因此具有一定的可行性[1]。而土壤可以作为太阳能的良好蓄热体,夏季可以把过剩的太阳能热量储存于土壤中,使土壤保持比较高的温度[2],冬季可以利用地埋管反向提取土壤中储存的热量。太阳能季节性土壤蓄热是把除冬季以外收集的太阳能通过地埋管换热器蓄存在土壤中,冬季再利用地埋管从土壤中取出热量进行供暖,实现了太阳能季节性利用。季节性蓄热在国外已有类似应用,例如加拿大卡尔加里市Okotoks小镇某社区利用土壤作为储能体进行大规棋跨季节太阳能储存实现供热供暖[3],而目前实际运行结果表明,太阳能采暖保证率已经达到100%[4]。但在国内研究较少,尚处于理论和模拟研究阶段。本文对太阳能跨季节土壤蓄热特性进行了基于实际示范项目的研究分析。

2太阳能土壤蓄热示范项目系统介绍

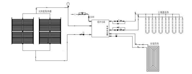
该示范项目系统以北京房山某一130㎡单层别墅为基础搭建,系统原理图见图1,系统主要组成由三部分组成:太阳能集热系统、地下土壤蓄热系统和末端供热系统,以及辅助系统运行的控制系统和数据采集系统。该系统在非采暖季能够实现太阳能——土壤蓄热特性的测试;在供暖季节,通过太阳能短期时时供暖,在太阳能不足时通过阀门切换实现土壤源反向放热供暖;末端系统为130㎡采暖面积地暖系统,共分为9个房间,9路地暖支路,控制系统控制整个系统的整体自动运行,数据采集系统负责采集系统运行中的日辐照量、土壤温度、系统各部分热量等数据。

图1 太阳能跨季节土壤蓄热供暖系统原理图

系统运行的原则是:非采暖季(春、夏、秋)利用太阳能集热器收集的热量对地下土壤进行太阳能蓄热,供暖季节太阳能停止对地下蓄热,白天辐照好时,优先利用太阳能集热器对房间进行供热,雨雪天气和夜间通过土壤反向提取热量对房间进行供暖,系统优先并充分利用太阳能。

2.1太阳能集热系统

太阳能集热系统安装在用户房屋楼顶,主要由非承压真空管太阳集热器,循环水泵和水箱组成。其系统示意图如图2所示。集热介质(水)在循环水泵的作用下,从水箱底部开始流入集热器,吸收太阳辐射热后流回水箱顶部。系统设计思想为:非采暖季节,太阳能集热器收集的热量通过地下换热器存储到土壤中,为冬季建筑采暖提供部分热源。系统设计包括太阳能集热器的选型、集热器面积的确定、缓冲水箱容积确定,集热循环水泵的选择、控制及计量系统的选择等。

图2 太阳能集热系统示意图

2.2土壤换热系统

地埋管换热系统主要由地埋管集分水器、地埋管循环水泵以及布置于地下的埋管井和温度观测井组成。地埋管井位布置如图3所示。系统共设有11口埋管井,单口井井深15m,井间距1m,钻孔直径150mm左右。井内埋设DN25单U型管,将11个竖井中的地埋管串并联连接,以原土与细沙的混合浆作为回填料。在埋管井的正上方6m×5m的区域内铺设250mm厚的保温层,以减少蓄入的热量从地表散失出去。保温层的结构自地表向下依次为土沙混合层、聚苯板层、防水材料层、沙及土的混合层,其中聚苯板层的厚度为200mm。由于蓄入热量中可提取再利用的部分主要储存在保温层以下的区域,我们将6m×5m×14m(长×宽×深)由土壤、竖井、地埋管换热器及保温层共同构成的部分称为地下蓄热体。设有a-f六口观测井,a、b、c、d、e、f井横向布置,受制于打井间距的影响,地埋管井11与观测井e共用、埋管井4与观测井b共用;观测井内不同深度(-3、-7、-11、-15m)分别埋PT100设温度传感器,对地下温度场进行时时监测,温度传感器测试点布置如图4所示。

图3实验井位平面位置及深度图

3系统运行方式及数据计量方法

3.1运行模式

太阳能集热循环:

非采暖季采用全天太阳能集热,土壤蓄热模式,测试期间,太阳能采用温差控制强制循环,当集热器出口水温与缓冲水箱底部水温的温差高于7℃,循环水泵P1开始循环,当两者温差低于3℃时,水泵停止运行。

土壤蓄热循环:

土壤蓄热条件依据水箱温度的条件判断是否对土壤进行供热,设定一条件温度,当水箱温度达到设定值时启动循环泵P2,进行土壤蓄热,随着蓄热进行,水箱温度下降,当水箱温度低于土壤同期温度时,或者地埋管回水温度趋近于进水温度时,停止蓄热。这里强调的一点:随着土壤温度逐渐上升的趋势,水箱设定地埋管换热循环的温度也要随之升高,(由最初设定的50℃开始蓄热,提高到60℃开始蓄热),为最大化提升采暖蓄热效果,该参数的调节属于动态调节的过程。同时用尽可能较高温度的热水(高于土壤温度△20℃)进行地埋管换热,提高换热功率和换热效果。 

3.2系统数据采集

蓄热期间,数据采集系统每2分钟采集一次数据,并通过基于网络的方式发送给服务器存储。收集的数据类型汇总见下表1。 

表1 数据采集系统采集数据类型

4实验结果分析和讨论

4.1测试期间辐照分析情况 

表2 北京区域2017年3-6月太阳日均辐照量(30°)

4.2全天模式下,地埋管进出水温度及蓄热功率变化

图4、图5为全天模式下,地埋管进出水温度及蓄热功率随时间的变化曲线。从图5可以看出,在开始蓄热时,蓄热功率呈上升趋势,随后趋于平缓;蓄热期间地埋管出口水温一直在缓慢增高,随后趋于平稳状态,地埋管进口水温在下午14:00-15:00左右达到最大值后开始减小,这主要由太阳辐射强度减小引起。蓄热期间地埋管进口温度与蓄热功率有大致相同的变化趋势,蓄热功率达到最大值的时间稍早于进口温度达到最大值的时间。全天蓄热模式下,该天系统蓄热功率最大值为26kW,日平均蓄热功率在16.8kW左右;地埋管单位换热功率约为100W/m,地埋管进口温度最大值在76℃左右,平均值在67℃左右。

图4全天蓄热时地埋管蓄热功率分布曲线

图5全天蓄热时地埋管蓄热功率分布曲线

4.3土壤蓄热场横向温升趋势

图6为土壤深度7m、不同位置(距中心点0m、1m、1.7m、2m)的温度分布图,其中TE和TF分别与地埋管11、4共用一口井,考虑TE和TF土壤温度受地埋管影响,因此时间点取凌晨5:00的温度,尽可能避免地埋管白天换热温度对土壤温度的影响。从图8中可以看出,随着蓄热的不断进行,热量通过地埋管换热器传递给竖井,使蓄热体内部不同范围土壤温度均有升高。同一时刻蓄热区中心温度最高,并呈现出依次向外温度越低的趋势,由图可知,在尚未蓄热前(3月12日以前),土壤7m处不同区域温度都为13℃,经过4、5、6月份的蓄热过程,中心点观测井e,地下7m处土壤温度上升了△27℃,达到了40℃。在距离蓄热中心1.7m的观测井d,地下7m处土壤温度也上升了△16℃,达到了29℃。且观测井d时独立监测井,与地埋管间距较远,不受地埋管温度的影响。观测井a(2m)、观测井c(2.5m)的分别为与上述观测井d的温升趋势较为接近,而离中心最远的观测井b(3m),测温升趋势则不是很明显。由此推断该蓄热提的热力范围在2.5m-3m之间。

图6土壤3-6月份土壤7m深度不同水平位置温度分布趋势图

图7为土壤距中心点1.7m位置、不同深度(-3m、-7m、-9m、-11m)的温度分布图,TC观测井为独立温度观测井,不受地埋管换热影响。从图8中可以看出,随着蓄热的不断进行,热量通过地埋管换热器传递给竖井,使蓄热体内部不同范围土壤温度均有升高。同一时刻蓄热区-3--11m的温升情况近乎相同,-13m接近于地埋管的底部,因此换热效果较差。

图7土壤3-6月份土壤距中心点1.7m位置不同深度温度分布趋势图

4.4系统各部分月份累积得热量情况分析

分析从3月12日系统蓄热运行到截止到6月30号蓄热运行数据进行分析,从太阳能月辐照量、集热器集热量、集热效率、土壤蓄热热量,土壤蓄热效率几个方面数据进行数据整理计算,得到的数据见表3,从表中可得出几个结论:(1)集热器通过强制温差循环的方式和缓冲水箱进行换热循环,集合三个月的数据反映太阳能集热器的效率在40%左右(包含管道热损失),且在系统运行初期,土壤温度较低,因此集热器、缓冲水箱,土壤三者之间都在一个温度相对较低的区间进行工作,随着土壤温度的逐渐升高,缓冲水箱的设定温度也要相应提高(由开始设定的50℃开始蓄热,后期提升到60℃开始蓄热),导致三者都在温度高位运行,间接影响了集热器的集热效率,导致效率有所降低(2)土壤在蓄热过程中,土壤得热量由缓冲水箱的热量提供,蓄热期间的热损失在8%左右。

表3系统各部件运行效率分析

备注:6月份系统运行出现局部故障导致停运10天,系统数据受部分影响。

5结论

本文主要研究了太阳能-地埋管系统土壤蓄热的相关特性,分析得到如下结论:

(1)4、5、6月份蓄热期间,蓄热体中心温度由13℃上升到39℃,蓄热率约为90%;太阳集热器的日平均集热效率约为42%,在太阳辐照充足条件下(24MJ/㎡),日平均换热功率达到16.8kW,地埋管单位换热功率约为100W/m。地埋管相对较高的进水温度可以提高换热效率。

(2)蓄热阶段蓄热体内部不同深度土壤温度均有升高,同一时刻蓄热体中心温度分布很不均匀,蓄热体向地表散失的热量要大于向深层土壤散失的热量,蓄热期间土壤温升作用半径在3m左右。

(3)通过对系统蓄热期间土壤蓄热率、跨季节热损失率、太阳集热器效率及系统耗功的综合分析,表明使用太阳能—地埋管式土壤储热系统对太阳能长期存储是完全可行的,显示出良好的应用前景。

参考文献

[1]赵东亮,李勇,代彦军.季节性蓄热太阳能集中供热系统[期刊论文]-太阳能2011(3)

[2]唐志伟,刘爱杰,赵华涛,韩雅芳.太阳能跨季节土壤蓄热实验研究.中国可再生能源学会2011年学术年会论文(地源热泵专业)

[3]严永红,张兴国,李金畅.加拿大卡尔加里市Okotoks小镇太阳能小区建设[J].新建筑,2005,(06):26-28.

[4]http://www.dlsc.ca/

作者:王树怀 张伟 高警卫 王文师

供稿:北京四季沐歌太阳能技术集团有限公司

责编:张建苹

来源:中国太阳能工程